- Nuevo
Parque infantil GARUA
Es una estructura muy fuerte y resistente. El material es madera trabajada en autoclave, acero y componentes de plásticos de polietileno de alta densidad. La tornillería y los tubos son de acero pintados al horno.
Los tornillos son de acero galvanizado y están protegidos por unos tapones antivandálicos de plástico resistente. Incluye dos asientos de caucho con cadenas, homologados para uso público.
Medidas y área de seguridad
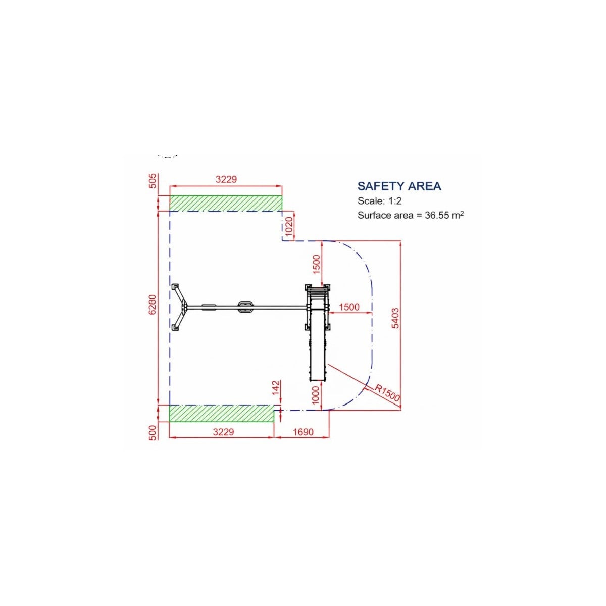
- Medidas: 470 cm largo x 298 cm ancho (incluye rampa tobogán) x 218 cm alto total estructura
- Altura del columpio: 190 cm
- Altura hasta el primer piso del tobogán: 136 cm
- Superficie del área de seguridad: 39,54 m2
- Homologación: uso público y comercial, EN-1176/77
Estructura y componentes
Está fabricado con una estructura de madera de pino tratada en autoclave Nivel IV y con un travesaño de acero pintado. Este columpio dispone de dos ganchos de seguridad especiales para poder colgar la cesta inclusiva. El columpio tiene unos embellecedores a ambos lados del travesaño a modo decorativo, fabricados en polietileno de alta densidad. La cesta inclusiva también incluye embellecedores que, a parte de ser a modo decorativo, hacen de protección. La tornillería está protegida con tapones de polipropileno.
El parque infantil GARUA doble es una estructura homologada para uso público, indicada para estar instalada en comunidades de propietarios, hoteles, restaurantes, centros comerciales, etc., y para clientes exigentes.
Advertencias
- Edad recomendada: a partir de 3 años
- Utilizar bajo la supervisión de un adulto.
Plazo de entrega y garantía
- Tiempo de entrega: 15 a 20 días
- Garantía: 5 años
Embellecedores
Embellecedores para las córneres. Los dos extremos del travesaño están cubiertos por dos placas redondas de polietileno de alta densidad por las que se atornillan el travesaño a las maderas. A parte de su función de fijación, dan una estética más cuidada y bien acabada al columpio.
Anclajes y recomendaciones de instalación
Esquema de cómo son los anclajes cuando se piden para atornillar el parque encima de una solera de hormigón. Deben tener en cuenta que deberían poner caucho en formato loseta o pavimento continuo de 40 mm de grosor en toda el área de seguridad de cada parque.
Esquema de cómo son los anclajes en caso de pedirlos para un suelo de arena. Deben hacer dados de hormigón y luego dejar 40 cm de arena no compactada. Deberían pasar un rastrillo en la arena periódicamente para descompactar la arena.
Materiales
Los paneles del parque infantil están fabricados en polietileno de alta densidad de colores. Estos paneles son muy fuertes, se pueden limpiar fácilmente en caso de sufrir alguna pintada, no requieren de mantenimiento y aguantan muchos años al exterior sin riesgo de perder el color por el sol o la lluvia.
La tornillería del parque infantil está protegida con tapones de polipropileno. De esta manera los niños no tienen acceso a los tornillos del parque infantil, las partes metálicas quedan más protegidas de las condiciones meteorológicas y el parque con los tapones queda más bonito visualmente.
La madera de la estructura del parque infantil es de pino, tratada en autoclave Nivel IV. Es madera cuadrada, laminada, pensada para estar en el exterior, la madera cuadrada laminada sin grietas ni astillas.
Red de trepar
Red de trepar de cuerda armada. A los niños les encanta trepar en las redes de escalada. Las cuerdas armadas son muy fuertes y están pensadas para el exterior.
Configuración estándar
La configuración estándar es de un asiento plano con uno de bebé.


